產品分類:IDC插座連接器
產品型號:UL認證 IDC插座連接器
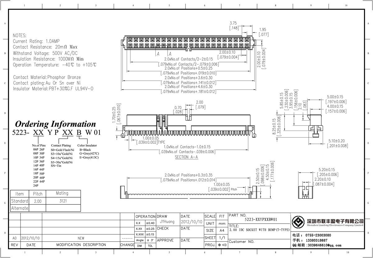
技術參數:額定電流:1.0amp電流電阻:20mΩ最大絕緣電阻:1000mΩmin耐壓:1000V AC /分鐘工作溫度:40﹣℃+ 105℃接觸材料:磷青銅或黃銅觸點電鍍金/錫鎳絕緣材料:聚酯(UL94V-O)標準:PBT的+ 30% GF
產品用料:產品材料采用德國及日本進口塑膠原材料,保證產品質量的可靠性,穩定性。
生產設備:本公司引進臺灣、日本進口注塑設備每每6~7秒鐘開模一次、沖床沖速可達1300次/每分鐘。
產品品質:嚴格按照汽車及高端電子行業品質管理體系的要求管控生產管理的每一個環節。
服務客戶:產品設計、開發、模具生產一體化,為每一位客戶提供一條龍式服務,解決您的后顧之憂。


全國服務電話:0755-23003080 聯系手機:13380318687 QQ:310093919 微信:310093919
公司地址:深圳市寶安區西鄉街道鐵崗社區寶田一路360號嘉皇源商業大廈
Copyright © 深圳市聯豐盈電子有限公司 版權所有 粵ICP備19070498號

